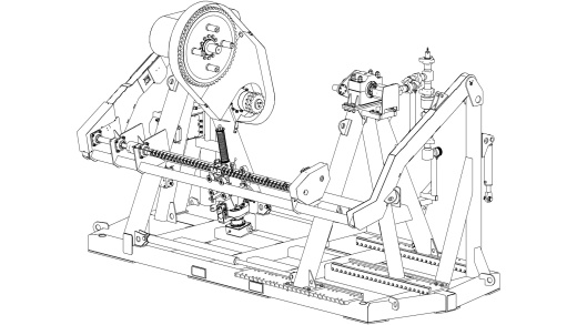
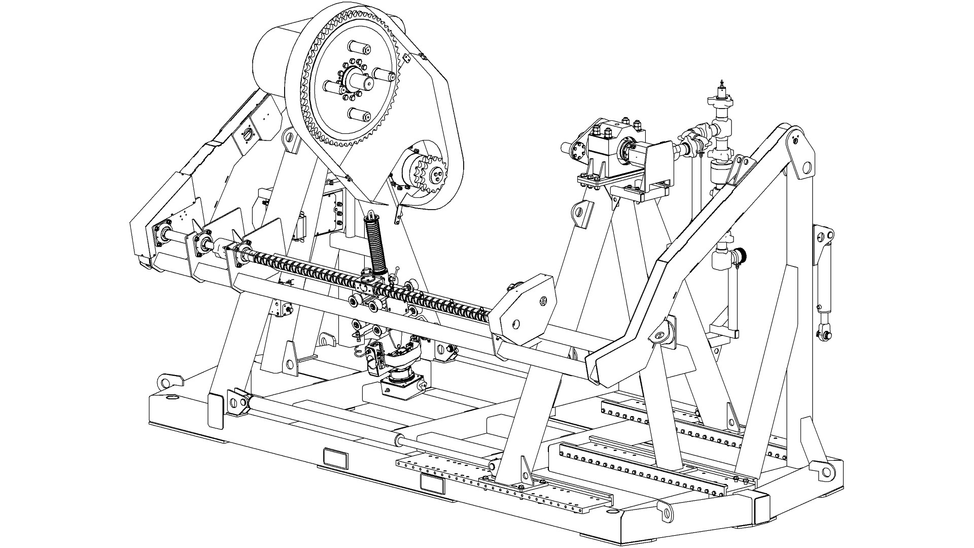
Изделие предназначено для перемотки гибких насосно-компрессорных труб с транспортного барабана изготовителя трубы на барабан колтюбинговой установки и обратно, а также может использоваться совместно с колтюбинговой установкой в качестве рабочего узла намотки при проведении спускоподъемных операций. Также изделие может использоваться при геофизических исследованиях нефтяных и газовых скважин.
Изделие предназначено для перемотки гибких насосно-компрессорных труб с транспортного барабана изготовителя трубы на барабан колтюбинговой установки и обратно, а также может использоваться совместно с колтюбинговой установкой в качестве рабочего узла намотки при проведении спускоподъемных операций. Также изделие может использоваться при геофизических исследованиях нефтяных и газовых скважин.
Изделие может работать с транспортными барабанами всех основных производителей ДБТ.
Технические характеристики
| Диаметр перематываемых ДБТ, мм | 38,1; 44,45; 50,8; 60,3 |
| Максимальная длина ДБТ Ø60,3 мм (толщина стенки 5,7 мм) на транспортном барабане, устанавливаемого на изделие, не менее, м | 4 000 |
| Максимальные размеры устанавливаемого барабана, мм: | |
| - диаметр | 4 100 |
| - ширина | 2 500 |
| Максимальная масса устанавливаемого барабана с ДБТ, кг | 36 000 |
| Условный проход манифольда, мм | 50 |
| Условный проход вертлюга, мм | 45 |
| Максимальное давление закачки технологической жидкости, МПа | 70 |
| Привод | гидравлический, от гидростанции или гидропривода колтюбинговой установки |
| Рабочее давление в гидроприводе, МПа | 18 |
| Характеристики питания гидропривода изделия: | |
| - номинальная производительность гидростанции, л/мин | 80 |
| - давление гидростанции, МПа (не менее) | 18 |
| Скорость вращения барабана в номинальном режиме, мин-1 | 5 |
| Скорость перемещения ДБТ при спускоподъемных операциях, м/с (м/мин): | |
| - минимальная | 0,015 (0,9) |
| - максимальная | 0,8 (48) |
| Габаритные размеры без барабана, мм | |
| - длина | 6 000 |
| - ширина | 2 550 |
| - высота | 3 220 |
| - высота при снятой звездочке привода | 2 900 |
| Масса без барабана, кг, не более | 7 000 |
Устройство имеет геофизический коллектор, что позволяет работать с ДБТ с геофизическим кабелем.
Размеры изделия позволяют перевозить его автомобильным транспортом в пределах разрешенных транспортных габаритов.
